Schnelle Lieferung
30 Tage Expresslieferung



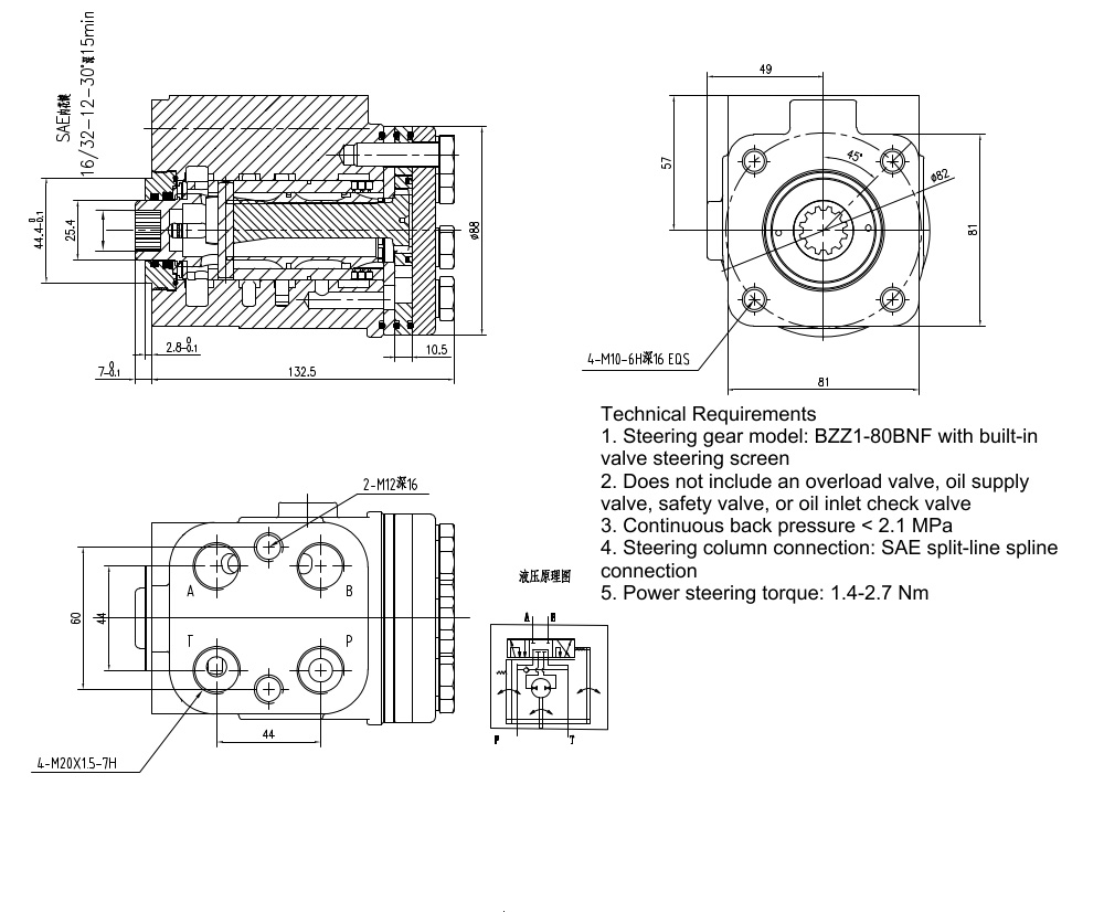
Die hydrostatische Lenkeinheit BZZ1-E80AS ist eine robuste und anpassbare Komponente, die für ein breites Anwendungsspektrum in Materialtransport-, Bau- und Industriefahrzeugen konzipiert ist. Mit einem Verdrängungsvolumen von 80 ml/U und einem maximalen Eingangsdruck von 16 MPa bietet sie eine zuverlässige und effiziente Lenkungssteuerung. Ihre Gusseisenkonstruktion gewährleistet Langlebigkeit, und der anpassbare Ventilblock ermöglicht maßgeschneiderte Lösungen, um spezifische Anforderungen zu erfüllen.
| BZZ1 Serie Lenkeinheit Parameters | |
|---|---|
| Verdrängung | 50 ml/U, 63 ml/U, 100 ml/U, 80 ml/U, 125 ml/U, 160 ml/U, 200 ml/U, 250 ml/U, 280 ml/U, 315 ml/U, 400 ml/U, 500 ml/U, 630 ml/U, 800 ml/U, 1000 ml/U |
| Ventilblock | Anpassbar |
| Material | Gusseisen |
| Nennfluss | 5 l/min, 6 l/min, 4 l/min, 7,5 l/min, 9,5 l/min, 12 l/min, 15 l/min, 19 l/min, 21 l/min, 24 l/min, 30 l/min, 38 l/min, 48 l/min, 60 l/min, 75 l/min |
| Maximaler kontinuierlicher Gegendruck | 2,5 MPa |
| Maximaler Eingangsdruck | 16 MPa |
Die Lenkeinheit BZZ1-E80AS ist eine Hochleistungs-Hydraulikkomponente, die aus langlebigem Gusseisen für einen langen Betrieb gefertigt wird. Ihr Verdrängungsvolumen von 80 ml/U und der maximale Eingangsdruck von 16 MPa ermöglichen eine leistungsstarke und reaktionsschnelle Lenkungssteuerung, selbst unter anspruchsvollen Bedingungen. Die Einheit verfügt über einen maximalen kontinuierlichen Gegendruck von 2,5 MPa und einen Nenndurchfluss von 6 L/min, was eine konstante Leistung gewährleistet. Ein wesentlicher Vorteil ist der anpassbare Ventilblock, der maßgeschneiderte Konfigurationen ermöglicht, um die genauen Anforderungen verschiedener Anwendungen zu erfüllen. Diese Flexibilität macht sie ideal für OEM- und ODM-Projekte sowie für die Bereitstellung kundenspezifischer Lösungen für verschiedene Branchen. Die Einheit findet Anwendung in verschiedenen Maschinentypen, darunter Gabelstapler, Teleskoplader, Kompaktlader, kompakte Radlader, Mini- und Midibagger sowie Baggerlader. Ihr robustes Design und ihre zuverlässige Leistung machen sie zu einer kostengünstigen Lösung für Hersteller, die hochwertige hydrostatische Lenkungskomponenten suchen. Wir bieten Fertigungs-, OEM-, ODM-, Anpassungs- und Großhandelsdienstleistungen an und suchen aktiv Distributoren, Großhändler, Agenten und Händler weltweit.



