Schnelle Lieferung
30 Tage Expresslieferung



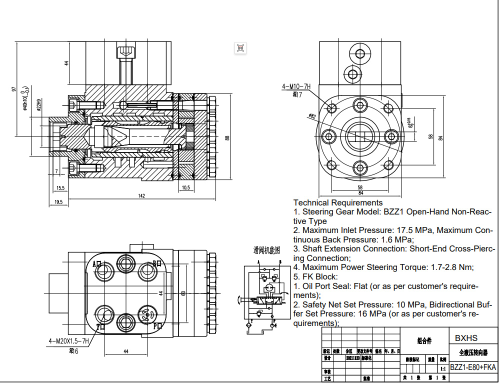
Die hydraulische Lenkeinheit BZZ1-E80+FKA ist eine robuste und anpassbare Einheit mit 80 ml/r Verdrängung und einem maximalen Eingangsdruck von 16 MPa. Sie ist ideal für verschiedene Anwendungen in Materialtransport, Bauwesen, Landwirtschaft und Industriefahrzeugen und bietet eine zuverlässige Lenkungssteuerung mit einem Nennvolumenstrom von 6 L/min. Hergestellt aus Gusseisen, verfügt sie über einen anpassbaren Ventilblock für maßgeschneiderte Leistung. Wir bieten Fertigung, OEM, ODM und Großhandelsoptionen an.
| BZZ1 Serie Lenkeinheit Parameters | |
|---|---|
| Verdrängung | 50 ml/U, 63 ml/U, 100 ml/U, 80 ml/U, 125 ml/U, 160 ml/U, 200 ml/U, 250 ml/U, 280 ml/U, 315 ml/U, 400 ml/U, 500 ml/U, 630 ml/U, 800 ml/U, 1000 ml/U |
| Ventilblock | Anpassbar |
| Material | Gusseisen |
| Nennfluss | 5 l/min, 6 l/min, 4 l/min, 7,5 l/min, 9,5 l/min, 12 l/min, 15 l/min, 19 l/min, 21 l/min, 24 l/min, 30 l/min, 38 l/min, 48 l/min, 60 l/min, 75 l/min |
| Maximaler kontinuierlicher Gegendruck | 2,5 MPa |
| Maximaler Eingangsdruck | 16 MPa |
Die hydraulische Lenkeinheit BZZ1-E80+FKA bietet eine präzise und leistungsstarke Lenkungssteuerung für eine Vielzahl von Maschinen. Ihre Hochdruckfähigkeit (16 MPa) gewährleistet einen zuverlässigen Betrieb auch unter schweren Lasten. Die Verdrängung von 80 ml/r und der Nennvolumenstrom von 6 L/min sorgen für eine effiziente Lenkreaktion. Die robuste Gusseisenkonstruktion garantiert Haltbarkeit und Langlebigkeit in anspruchsvollen Umgebungen. Der anpassbare Ventilblock ermöglicht maßgeschneiderte Lösungen, um spezifische Anwendungsanforderungen zu erfüllen und Leistung und Effizienz zu optimieren. Wir bieten flexible Geschäftsmodelle wie Fertigung, OEM (Original Equipment Manufacturing), ODM (Original Design Manufacturing) und Großhandelsoptionen, die kundenspezifische Lösungen und Großbestellungen zur Erfüllung Ihrer spezifischen Anforderungen ermöglichen. Wir suchen aktiv Distributoren, Großhändler, Agenten und Handelsunternehmen weltweit. Kontaktieren Sie uns, um Ihre Anforderungen zu besprechen und potenzielle Partnerschaften zu erkunden.



