Schnelle Lieferung
30 Tage Expresslieferung



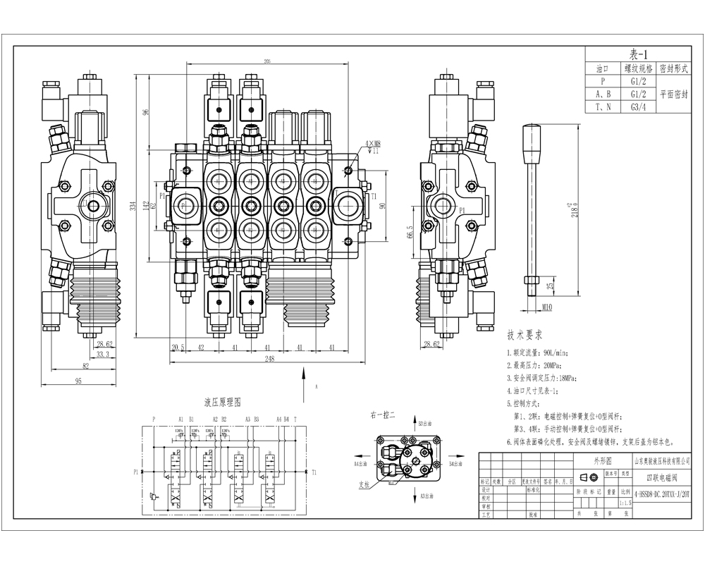
Das SD8 Magnet- und Joystick-4-Schieber-Sektions-Wegeventil ist ein leistungsstarkes Hydraulikventil, das für anspruchsvolle Anwendungen in verschiedenen Branchen entwickelt wurde. Mit einem Nenndurchfluss von 90 L/min, einem Maximaldruck von 350 bar und einem Betriebsviskositätsbereich von 12 - 400 mm²/s bietet dieses Ventil außergewöhnliche Durchflussregelungs- und Druckregelungsfähigkeiten.
| SD8-Serie Sektionalwegeventil Parameters | |
|---|---|
| Steuerkolben | 1 Steuerkolben, 2 Steuerkolben, 3 Steuerkolben, 4 Steuerkolben, 5 Steuerkolben, 6 Steuerkolben, 7 Steuerkolben, 8 Steuerkolben, 9 Steuerkolben, 10 Steuerkolben |
| Steuermethode | Manuell, Pneumatisch, Elektropneumatisch, Elektrohydraulisch, Magnet, Hydraulisch, Hydraulisch und Manuell, Kabel, Joystick, Magnet und Joystick, Manuell und Joystick |
| Anschlussgröße | G1/2, SAE 10 |
| Abschnitt | 1 Abschnitt, 2 Abschnitt, 3 Abschnitt, 4 Abschnitt, 5 Abschnitt, 6 Abschnitt, 7 Abschnitt, 8 Abschnitt, 9 Abschnitt, 10 Abschnitt |
| Umgebungstemperaturbereich | -40 °C bis +80 °C (-40 °F bis +176 °F) |
| Bereich der Betriebsviskosität | 12 - 400 mm²/s (12 cSt bis 400 cSt) |
| Auslassanschluss | G1/2, G3/4, SAE 10, 3/4 NPT |
| Maximaldruck | 250 bar (3600 psi), 350 bar (5100 psi) |
| Nennfluss | 90 l/min (23,8 US gal/min) |
| Strukturtyp | Schieberventil |
| Einlassanschluss | G1/2, G3/4, SAE 10 |
**Produktmerkmale und Vorteile:**
* Magnet- und Joystick-Steuerung für präzise und reaktionsschnelle Bedienung
* 3-Sektionen-Design für vielseitige Durchflussregelung
* Sektionsventilkonstruktion für einfache Wartung und Anpassung
* Hoher Durchfluss und Druckkapazität für anspruchsvolle Anwendungen
* Kompatibilität mit großem Viskositätsbereich
**Anwendungen:**
* Materialtransportgeräte
* Bau- und Erdbewegungsmaschinen
* Landwirtschaftliche Fahrzeuge
* Industriefahrzeuge
* Arbeitsbühnen
* Kräne
* Bagger
* Kompaktlader
* Radlader



