Schnelle Lieferung
30 Tage Expresslieferung



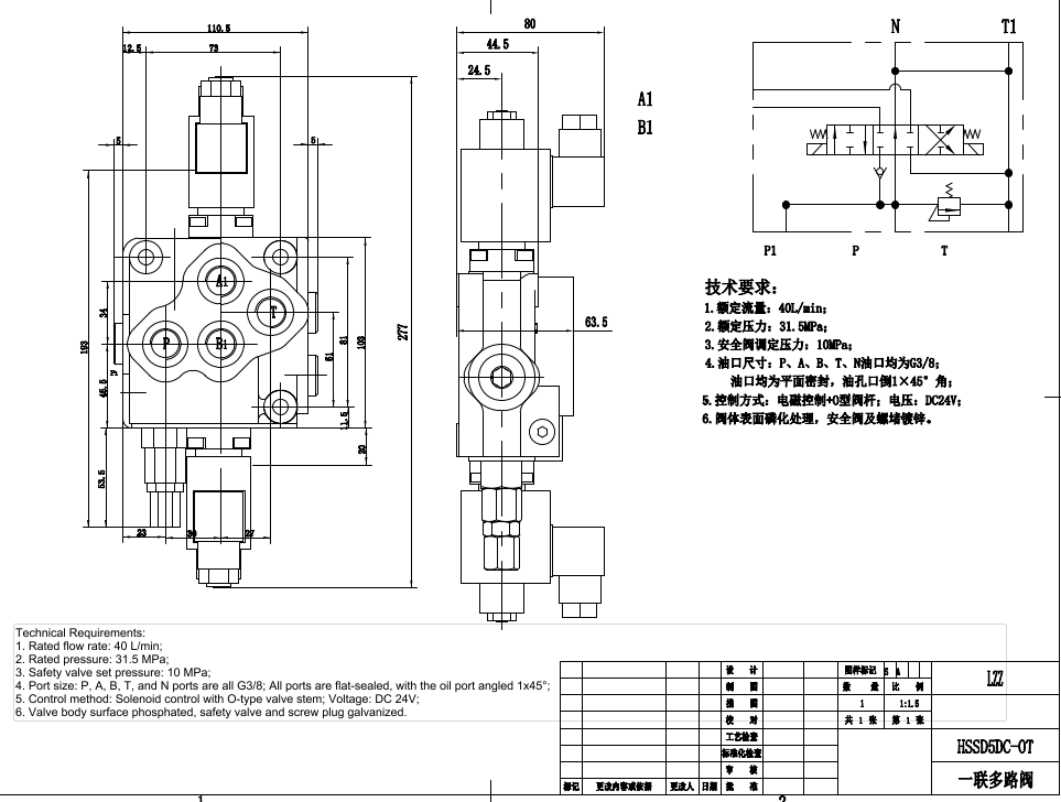
Das SD5 Solenoid 1 Steuersektion Monoblock-Wegeventil ist ein einsektionales, magnetbetätigtes Ventil mit einem Nennvolumenstrom von 40 L/min (10.5 US gpm) und einem maximalen Druck von 305 bar (4400 psi). Es eignet sich für eine Vielzahl von Anwendungen in der Materialhandhabung, im Baugewerbe, in der Landwirtschaft und bei Industriefahrzeugen, wie Teleskopladern, Gabelstaplern, Kränen, Staplern und Hubarbeitsbühnen.
| SD5-Serie Monoblock-Wegeventil Parameters | |
|---|---|
| Steuermethode | Manuell, Pneumatisch, Elektropneumatisch, Elektrohydraulisch, Magnet, Hydraulisch, Hydraulisch und Manuell, Kabel, Joystick |
| Steuerkolben | 1 Steuerkolben, 2 Steuerkolben, 3 Steuerkolben, 4 Steuerkolben, 5 Steuerkolben, 6 Steuerkolben |
| Nennfluss | 40 l/min (10,5 US gal/min) |
| Maximaldruck | 305 bar (4400 psi) |
| Einlassanschluss | G3/8, G1/2, M18×1.5, M20×1.5, SAE 6, SAE 8, G1-1/2 |
| Auslassanschluss | G3/8, G1/2, M18×1.5, M20×1.5, SAE 6, SAE 8 |
| Anschlussgröße | G3/8, G1/2, M18×1.5, M20×1.5, SAE 6, SAE 8 |
| Abschnitt | 1 Abschnitt, 2 Abschnitt, 3 Abschnitt, 4 Abschnitt, 5 Abschnitt, 6 Abschnitt, 7 Abschnitt |
| Strukturtyp | Monoblockventil |
| Umgebungstemperaturbereich | -40 °C bis +60 °C (-40 °F bis +140 °F) |
| Bereich der Betriebsviskosität | 15 - 75 mm²/s (15 cSt bis 75 cSt) |
**Produktmerkmale und Vorteile:**
* Kompaktes und leichtes Design
* Hohe Durchflusskapazität
* Geringer Druckabfall
* Ausgezeichnete Dichtleistung
* Lange Lebensdauer
**Anwendungen:**
* Materialtransportgeräte
* Baumaschinen
* Landmaschinen
* Industriefahrzeuge



