Schnelle Lieferung
30 Tage Expresslieferung



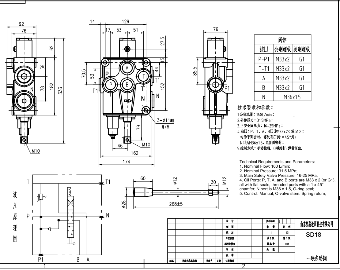
Das SD18 Manuelle 1 Sektion Monoblock Wegeventil ist ein kompaktes und zuverlässiges Ventil, das für eine Vielzahl von Hydraulikanwendungen entwickelt wurde. Mit einem Nennfluss von 120 L/min und einem maximalen Druck von 315 bar ist es für den Einsatz in Systemen mit moderaten Durchfluss- und Druckanforderungen geeignet.
| SD18-Serie Monoblock-Wegeventil Parameters | |
|---|---|
| Steuermethode | Manuell, Pneumatisch, Elektropneumatisch, Elektrohydraulisch, Hydraulisch, Hydraulisch und Manuell, Kabel, Joystick |
| Steuerkolben | 1 Steuerkolben, 2 Steuerkolben, 3 Steuerkolben, 4 Steuerkolben |
| Nennfluss | 160 l/min (42,2 US gal/min) |
| Maximaldruck | 305 bar (4400 psi) |
| Einlassanschluss | G1/2, G1, SAE 16 |
| Auslassanschluss | G1, SAE 16 |
| Anschlussgröße | G1, SAE 16 |
| Abschnitt | 1 Abschnitt, 2 Abschnitt, 3 Abschnitt, 4 Abschnitt |
| Strukturtyp | Monoblockventil |
| Umgebungstemperaturbereich | -40 °C bis +80 °C (-40 °F bis +176 °F) |
| Bereich der Betriebsviskosität | 12 - 400 mm²/s (12 cSt bis 400 cSt) |
**Produktmerkmale und Vorteile:**
* Kompaktes und leichtes Design
* Manuelle Steuerung für präzisen und reaktionsschnellen Betrieb
* Monoblock-Konstruktion für Langlebigkeit und Zuverlässigkeit
* Nennfluss von 120 L/min für effizienten Systembetrieb
* Maximaler Druck von 315 bar für den Einsatz in anspruchsvollen Anwendungen
* Betriebsviskositätsbereich von 12 - 400 mm²/s für Kompatibilität mit einer Vielzahl von Flüssigkeiten
* Umgebungstemperaturbereich von -40°C bis +80°C für den Einsatz in rauen Umgebungen
* 1 Sektion für Vielseitigkeit und Steuerung
**Anwendungen:**
Das SD18 Manuelle 1 Sektion Monoblock Wegeventil ist für eine Vielzahl von Hydraulikanwendungen geeignet, darunter:
* Materialtransportgeräte
* Bau- und Erdbewegungsmaschinen
* Landwirtschaftliche Maschinen
* Industriefahrzeuge



