Schnelle Lieferung
30 Tage Expresslieferung



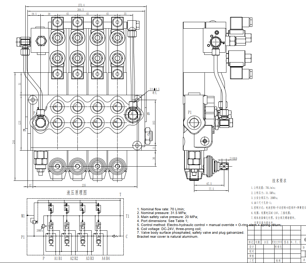
Das SD11-PG2 ist ein leistungsstarkes, elektrohydraulisches 4-Sektionen-Monoblock-Wegeventil, ausgelegt für 70 L/min und 315 bar. Ideal für eine Vielzahl von Anwendungen in der Materialhandhabung, im Baugewerbe, in der Landwirtschaft und in Industriefahrzeugen, bietet dieses robuste Ventil zuverlässige Steuerung und präzisen Betrieb in anspruchsvollen Umgebungen.
| SD11 Serie Monoblock-Wegeventil Parameters | |
|---|---|
| Steuermethode | Manuell, Pneumatisch, Elektropneumatisch, Elektrohydraulisch, Magnet, Hydraulisch, Hydraulisch und Manuell, Kabel, Joystick, Elektrisch |
| Steuerkolben | 1 Steuerkolben, 2 Steuerkolben, 3 Steuerkolben, 4 Steuerkolben, 5 Steuerkolben |
| Nennfluss | 70 l/min (18,5 US gal/min) |
| Maximaldruck | 315 bar (4600 psi) |
| Einlassanschluss | G3/4, SAE 12 |
| Auslassanschluss | G3/4, SAE 12 |
| Anschlussgröße | G3/4, SAE 12 |
| Abschnitt | 1 Abschnitt, 2 Abschnitt, 3 Abschnitt, 4 Abschnitt, 5 Abschnitt, 6 Abschnitt, 7 Abschnitt |
| Strukturtyp | Monoblockventil |
| Umgebungstemperaturbereich | -40 °C bis +60 °C (-40 °F bis +140 °F) |
| Bereich der Betriebsviskosität | 15 - 75 mm²/s (15 cSt bis 75 cSt) |
Das elektrohydraulische 4-Sektionen-Monoblock-Wegeventil SD11-PG2 ist eine hochleistungsfähige hydraulische Steuerkomponente, die für anspruchsvolle Anwendungen entwickelt wurde. Seine Monoblock-Konstruktion gewährleistet hohe Festigkeit und Zuverlässigkeit, während die elektrohydraulische Steuerung einen präzisen und reaktionsschnellen Betrieb ermöglicht. Mit einem Nennfluss von 70 L/min und einem Maximaldruck von 315 bar ist es für eine Vielzahl von mobilen Geräten geeignet. Der große Betriebsviskositätsbereich (15-75 mm²/s) und der Umgebungstemperaturbereich (-40°C bis +60°C) machen es anpassungsfähig an verschiedene Betriebsbedingungen. Das 4-Sektionen-Design bietet vielseitige Steuerungsfunktionen, wodurch es für verschiedene Hydraulikkreisläufe geeignet ist. Dieses Ventil ist ideal für die OEM-Integration in Gabelstapler, Teleskoplader, Kompaktlader, kompakte Radlader, Minibagger, Traktoren, Erntemaschinen und Ballenpressen. Sein kompaktes Design, die robuste Konstruktion und die zuverlässige Leistung machen es zu einer kostengünstigen Lösung zur Verbesserung der Effizienz und Produktivität Ihrer Maschinen. Wir bieten Fertigung, OEM, Private Labeling, Anpassung und Großhandelsoptionen an und suchen aktiv Distributoren, Großhändler, Agenten und Handelspartner weltweit.



