Schnelle Lieferung
30 Tage Expresslieferung



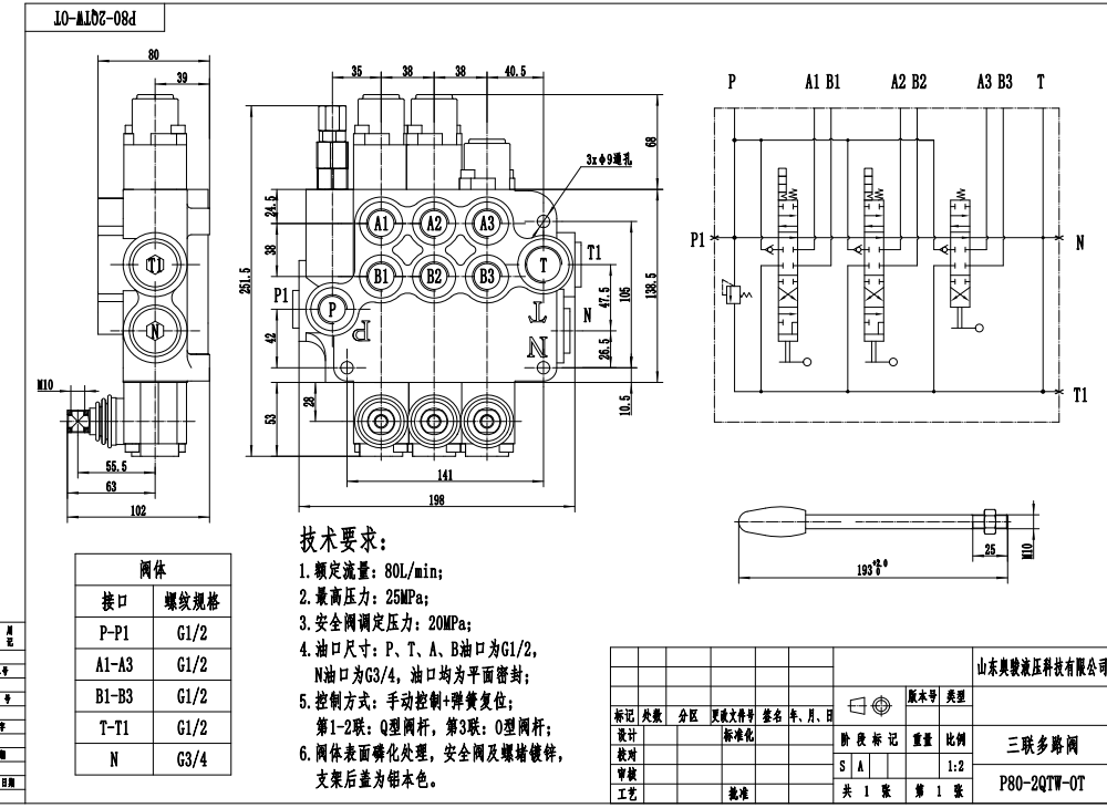
Das P80-G12-2QTW-OT ist ein manuelles 3-Spulen-Monoblock-Wegeventil, das für Hydrauliksysteme entwickelt wurde. Es bietet einen Nenndurchfluss von 80 L/min, einen Maximaldruck von 250 bar und einen Betriebsviskositätsbereich von 15 - 75 mm²/s. Dieses Ventil wird häufig in verschiedenen Anwendungen in Branchen wie Materialhandling, Bauwesen, Erdbewegung und Landwirtschaft eingesetzt.
| P80-Serie Monoblock-Wegeventil Parameters | |
|---|---|
| Steuerkolben | 1 Steuerkolben, 2 Steuerkolben, 3 Steuerkolben, 4 Steuerkolben, 5 Steuerkolben, 6 Steuerkolben, 7 Steuerkolben |
| Steuermethode | Manuell, Pneumatisch, Elektropneumatisch, Elektrohydraulisch, Magnet, Hydraulisch, Hydraulisch und Manuell, Kabel, Joystick |
| Anschlussgröße | G1/2, G3/4, M22×1.5, M27×2.0, SAE 10, 1/2 NPT, 3/4 NPT |
| Abschnitt | 1 Abschnitt, 2 Abschnitt, 3 Abschnitt, 4 Abschnitt, 5 Abschnitt, 6 Abschnitt, 7 Abschnitt |
| Umgebungstemperaturbereich | -40 °C bis +80 °C (-40 °F bis +176 °F) |
| Bereich der Betriebsviskosität | 15 - 75 mm²/s (15 cSt bis 75 cSt) |
| Maximaldruck | 315 bar (4600 psi) |
| Nennfluss | 80 l/min (21,2 US gal/min) |
| Strukturtyp | Monoblockventil |
| Einlassanschluss | G1/2, G3/4, M27×2.0, SAE 10, SAE 12, 1/2 NPT, 3/4 NPT |
**Produktmerkmale und Vorteile:**
* Manuelle Steuerung für präzisen Betrieb
* Monoblock-Konstruktion für Langlebigkeit und kompakte Größe
* Hohe Durchflusskapazität von 80 L/min für effiziente Systemleistung
* Maximaldruck von 250 bar für anspruchsvolle Anwendungen
* Breiter Betriebsviskositätsbereich für Kompatibilität mit verschiedenen Hydraulikflüssigkeiten
* Geeignet für Umgebungstemperaturen von -40°C bis +80°C
**Anwendungen:**
Das manuelle Wegeventil P80-G12-2QTW-OT wird häufig in Hydrauliksystemen von mobilen und industriellen Maschinen eingesetzt, einschließlich:
* Materialtransportgeräte wie Gabelstapler, Teleskoplader und Krane
* Bau- und Erdbewegungsmaschinen wie Bagger, Lader und Grader
* Landmaschinen wie Traktoren, Erntemaschinen und Ballenpressen
* Industriefahrzeuge wie Kehrmaschinen, Müllpressen und Absetzkipper



