Schnelle Lieferung
30 Tage Expresslieferung



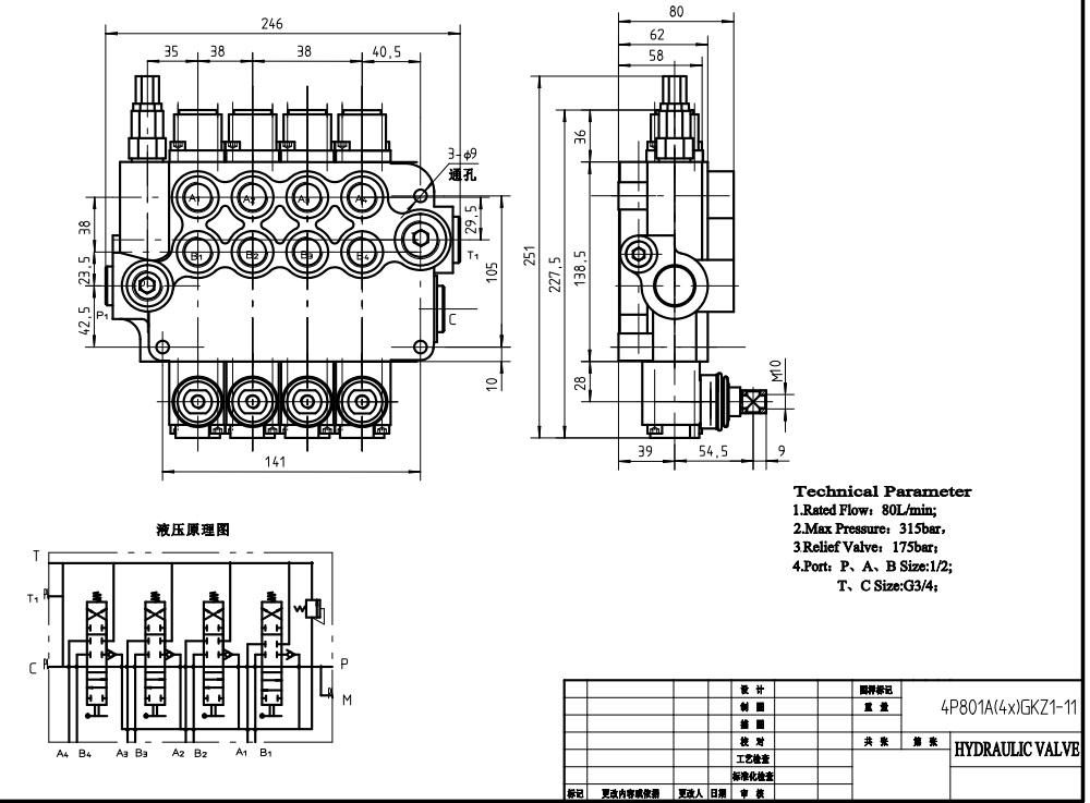
Das manuelle 4-Spulen-Monoblock-Wegeventil P80-G12-G34-OT ist ein äußerst vielseitiges und langlebiges Bauteil, das für eine breite Palette hydraulischer Anwendungen konzipiert wurde. Mit einem Nenndurchfluss von 80 L/min (21,2 US gpm) und einem maximalen Druck von 250 bar (3600 psi) kann dieses Ventil anspruchsvolle Hydrauliksysteme bewältigen. Sein kompaktes Monoblock-Design gewährleistet eine einfache Installation und Wartung.
| P80-Serie Monoblock-Wegeventil Parameters | |
|---|---|
| Steuerkolben | 1 Steuerkolben, 2 Steuerkolben, 3 Steuerkolben, 4 Steuerkolben, 5 Steuerkolben, 6 Steuerkolben, 7 Steuerkolben |
| Steuermethode | Manuell, Pneumatisch, Elektropneumatisch, Elektrohydraulisch, Magnet, Hydraulisch, Hydraulisch und Manuell, Kabel, Joystick |
| Anschlussgröße | G1/2, G3/4, M22×1.5, M27×2.0, SAE 10, 1/2 NPT, 3/4 NPT |
| Abschnitt | 1 Abschnitt, 2 Abschnitt, 3 Abschnitt, 4 Abschnitt, 5 Abschnitt, 6 Abschnitt, 7 Abschnitt |
| Umgebungstemperaturbereich | -40 °C bis +80 °C (-40 °F bis +176 °F) |
| Bereich der Betriebsviskosität | 15 - 75 mm²/s (15 cSt bis 75 cSt) |
| Maximaldruck | 315 bar (4600 psi) |
| Nennfluss | 80 l/min (21,2 US gal/min) |
| Strukturtyp | Monoblockventil |
| Einlassanschluss | G1/2, G3/4, M27×2.0, SAE 10, SAE 12, 1/2 NPT, 3/4 NPT |
**Produktmerkmale und Vorteile:**
* **Kompaktes Monoblock-Design:** Einfache Installation und Wartung
* **Hohe Durchflusskapazität (80 L/min):** Geeignet für anspruchsvolle Hydrauliksysteme
* **Hohe Druckstufe (250 bar):** Hält hohen Systemdrücken stand
* **Manuelle Steuerung:** Präziser und reaktionsschneller Betrieb
* **Breiter Betriebsviskositätsbereich (15 - 75 mm²/s):** Kann verschiedene Hydraulikflüssigkeiten verarbeiten
* **Robuste Bauweise:** Gewährleistet eine lange Lebensdauer
**Anwendungen:**
Das manuelle 4-Spulen-Monoblock-Wegeventil P80-G12-G34-OT wird häufig in verschiedenen hydraulischen Anwendungen eingesetzt, darunter:
* Materialtransportgeräte (z. B. Gabelstapler, Teleskoplader)
* Bau- und Erdbewegungsmaschinen (z. B. Bagger, Lader)
* Landwirtschaftliche Maschinen (z. B. Traktoren, Erntemaschinen)
* Industriefahrzeuge (z. B. Kehrmaschinen, Müllpressen)



