Schnelle Lieferung
30 Tage Expresslieferung



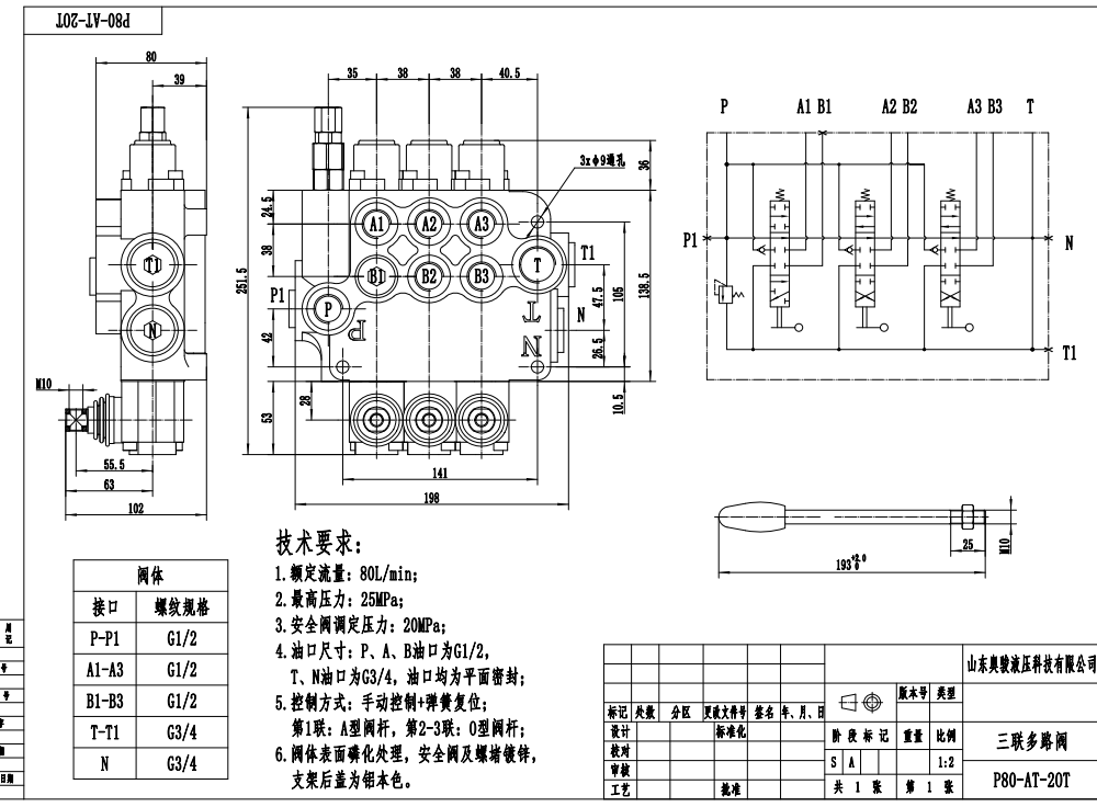
Das P80-G12-G34-AT-2OT Manuelle 3-Spulen Monoblock-Wegeventil ist ein Hochleistungs-Hochdruckventil, das für anspruchsvolle Hydraulikanwendungen entwickelt wurde. Es verfügt über eine manuelle Steuerung, ein 3-Spulen-Design und eine Monoblockstruktur für erhöhte Haltbarkeit und Zuverlässigkeit. Mit einem Nenndurchfluss von 80 L/min und einem maximalen Druck von 250 bar ist dieses Ventil für eine Vielzahl von Anwendungen in der Materialhandhabung, im Bau- und Erdbewegungssektor, in der Landwirtschaft und in Industriefahrzeugen geeignet.
| P80-Serie Monoblock-Wegeventil Parameters | |
|---|---|
| Steuerkolben | 1 Steuerkolben, 2 Steuerkolben, 3 Steuerkolben, 4 Steuerkolben, 5 Steuerkolben, 6 Steuerkolben, 7 Steuerkolben |
| Steuermethode | Manuell, Pneumatisch, Elektropneumatisch, Elektrohydraulisch, Magnet, Hydraulisch, Hydraulisch und Manuell, Kabel, Joystick |
| Anschlussgröße | G1/2, G3/4, M22×1.5, M27×2.0, SAE 10, 1/2 NPT, 3/4 NPT |
| Abschnitt | 1 Abschnitt, 2 Abschnitt, 3 Abschnitt, 4 Abschnitt, 5 Abschnitt, 6 Abschnitt, 7 Abschnitt |
| Umgebungstemperaturbereich | -40 °C bis +80 °C (-40 °F bis +176 °F) |
| Bereich der Betriebsviskosität | 15 - 75 mm²/s (15 cSt bis 75 cSt) |
| Maximaldruck | 315 bar (4600 psi) |
| Nennfluss | 80 l/min (21,2 US gal/min) |
| Strukturtyp | Monoblockventil |
| Einlassanschluss | G1/2, G3/4, M27×2.0, SAE 10, SAE 12, 1/2 NPT, 3/4 NPT |
**Produktmerkmale und Vorteile:**
* Hohe Durchflusskapazität von 80 L/min für effizienten Betrieb
* Hoher Druckbereich von 250 bar für anspruchsvolle Anwendungen
* Manuelle Steuerung für präzisen und reaktionsschnellen Betrieb
* 3-Spulen-Design für vielseitige Steuerung mehrerer Hydraulikfunktionen
* Monoblockstruktur für erhöhte Haltbarkeit und reduzierte Leckage
* Breiter Betriebs-Viskositätsbereich von 15 - 75 mm²/s für Kompatibilität mit verschiedenen Hydraulikflüssigkeiten
* Breiter Umgebungstemperaturbereich von -40°C bis +80°C für zuverlässige Leistung unter extremen Bedingungen
**Anwendungen:**
* Materialhandhabung: Gabelstapler, Teleskoplader, Krane, Stapler, Arbeitsbühnen
* Bau- und Erdbewegung: Bagger, Kompaktlader, Kompaktradlader, Motorgrader
* Landwirtschaft: Traktoren, Erntemaschinen, Ballenpressen, Sprühgeräte
* Industriefahrzeuge: Kehrmaschinen, Müllpressen, Absetzkipper, Hakengeräte



