Schnelle Lieferung
30 Tage Expresslieferung



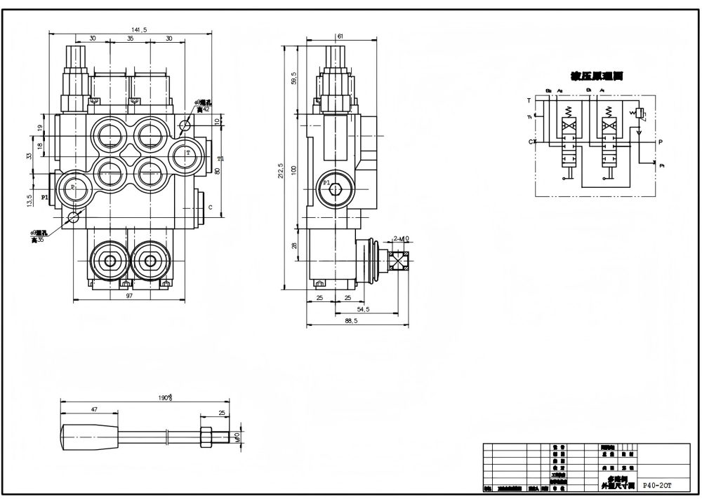
Das P40-XNHJ ist ein robustes, manuelles 2-fach Monoblock-Wegeventil mit einer Nennleistung von 40 l/min und einem maximalen Druck von 250 bar. Ideal für verschiedene Anwendungen in den Bereichen Materialtransport, Bauwesen, Landwirtschaft und Industriefahrzeuge bietet dieses Ventil zuverlässige Steuerung und Leistung in anspruchsvollen Umgebungen.
| P40-XNHJ Serie Monoblock-Wegeventil Parameters | |
|---|---|
| Steuermethode | Manuell, Pneumatisch, Elektropneumatisch, Elektrohydraulisch, Magnet, Hydraulisch, Hydraulisch und Manuell, Kabel, Joystick, Manuell und Joystick |
| Steuerkolben | 1 Steuerkolben, 2 Steuerkolben, 3 Steuerkolben, 4 Steuerkolben, 5 Steuerkolben, 6 Steuerkolben, 7 Steuerkolben |
| Nennfluss | 40 l/min (10,5 US gal/min) |
| Maximaldruck | 250 bar (3600 psi) |
| Einlassanschluss | G3/8, G1/2, M18×1.5, M22×1.5, SAE 8, SAE 10, 3/8 NPT, 1/2 NPT |
| Auslassanschluss | G3/8, G1/2, M18×1.5, M22×1.5, SAE 8, SAE 10, 3/8 NPT, 1/2 NPT |
| Anschlussgröße | G3/8, G1/2, M18×1.5, SAE 8, SAE 10, 3/8 NPT, 1/2 NPT |
| Abschnitt | 1 Abschnitt, 2 Abschnitt, 3 Abschnitt, 4 Abschnitt, 5 Abschnitt, 6 Abschnitt, 7 Abschnitt |
| Strukturtyp | Monoblockventil |
| Umgebungstemperaturbereich | -40 °C bis +80 °C (-40 °F bis +176 °F) |
| Bereich der Betriebsviskosität | 15 - 75 mm²/s (15 cSt bis 75 cSt) |
Das P40-XNHJ Manuell 2-fach Monoblock-Wegeventil ist eine Hochleistungs-Hydraulikkomponente, die für anspruchsvolle Anwendungen entwickelt wurde. Seine kompakte Monoblock-Struktur gewährleistet Zuverlässigkeit und Langlebigkeit, während die manuelle Steuerung einen präzisen Betrieb ermöglicht. Mit einer Nennleistung von 40 l/min und einem maximalen Druck von 250 bar ist es für eine Vielzahl von Geräten geeignet. Der breite Betriebs-Viskositäts- und Temperaturbereich des Ventils (-40°C bis +80°C) garantiert eine konstante Leistung unter verschiedensten Bedingungen. Seine zwei Schieber ermöglichen eine vielseitige Steuerung der Hydraulikfunktionen. Dieses Ventil ist ideal für den Einsatz in Gabelstaplern, Teleskopladern, Kompaktladern, Traktoren, Minibaggern, Baggerladern, Ballenpressen, Erntemaschinen und Sprühgeräten und bietet eine zuverlässige und effiziente hydraulische Steuerung für verschiedene Arbeitsabläufe. Das P40-XNHJ ist so konstruiert, dass es rauen Umgebungen standhält und eine langlebige Leistung bietet, was es zu einer kostengünstigen Lösung für Original Equipment Manufacturer (OEMs) und Endverbraucher gleichermaßen macht. Wir bieten Fertigung, OEM-Dienstleistungen, Private Labeling, Anpassung und Großhandelsoptionen an und suchen aktiv Distributoren, Großhändler, Agenten und Händler weltweit.



