Schnelle Lieferung
30 Tage Expresslieferung



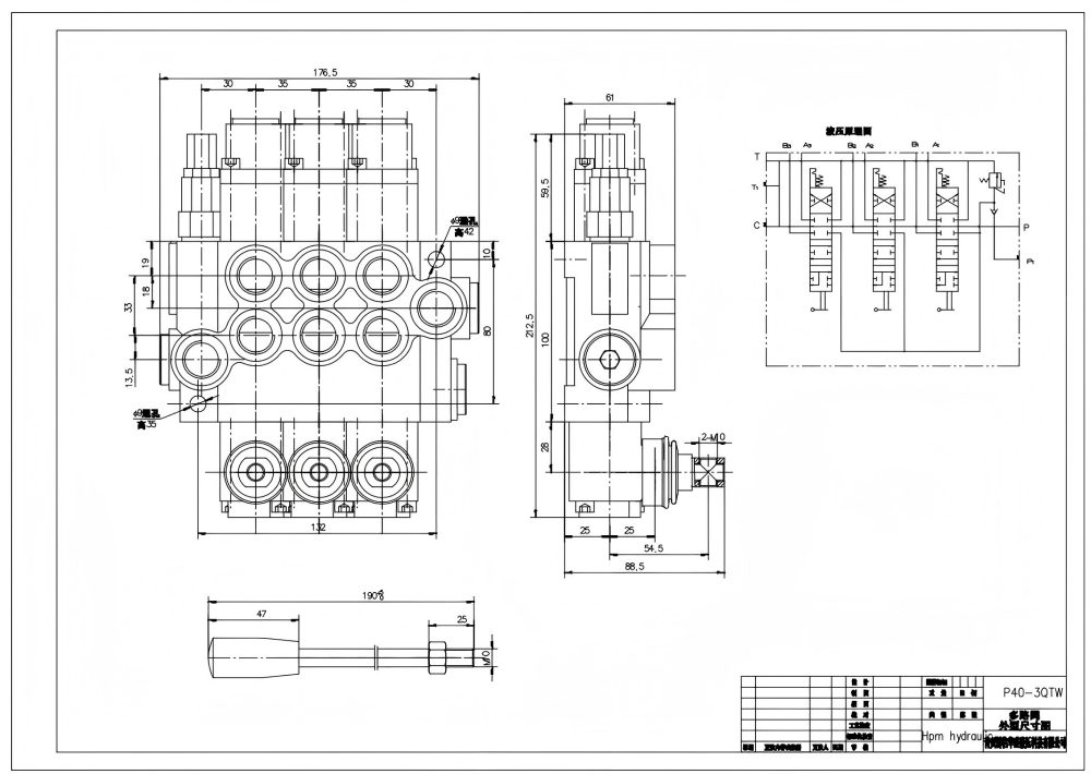
Das P40-G38-G12-OT Manuell 3-fach Monoblock-Wegeventil ist ein Hochleistungs-Hydraulikventil, das für anspruchsvolle Anwendungen entwickelt wurde. Mit einem Nennvolumenstrom von 40 L/min (10,5 US gpm) und einem Maximaldruck von 250 bar (3600 psi) bietet es eine zuverlässige und effiziente Durchflussregelung. Seine Monoblock-Konstruktion gewährleistet Langlebigkeit und minimiert Leckagen, während die manuelle Steuerung einen präzisen und reaktionsschnellen Betrieb ermöglicht. Das Ventil eignet sich für eine Vielzahl von Anwendungen, einschließlich Materialtransport, Bauwesen, Landwirtschaft und Industriefahrzeuge.
| P40-Serie Monoblock-Wegeventil Parameters | |
|---|---|
| Steuermethode | Manuell, Pneumatisch, Elektropneumatisch, Elektrohydraulisch, Magnet, Hydraulisch, Hydraulisch und Manuell, Kabel, Joystick, Manuell und Joystick |
| Steuerkolben | 1 Steuerkolben, 2 Steuerkolben, 3 Steuerkolben, 4 Steuerkolben, 5 Steuerkolben, 6 Steuerkolben, 7 Steuerkolben |
| Nennfluss | 40 l/min (10,5 US gal/min) |
| Maximaldruck | 250 bar (3600 psi) |
| Einlassanschluss | G3/8, G1/2, M18×1.5, M22×1.5, SAE 8, SAE 10, 3/8 NPT, 1/2 NPT |
| Auslassanschluss | G3/8, G1/2, M18×1.5, M22×1.5, SAE 8, SAE 10, 3/8 NPT, 1/2 NPT |
| Anschlussgröße | G3/8, G1/2, M18×1.5, SAE 8, SAE 10, 3/8 NPT, 1/2 NPT |
| Abschnitt | 1 Abschnitt, 2 Abschnitt, 3 Abschnitt, 4 Abschnitt, 5 Abschnitt, 6 Abschnitt, 7 Abschnitt |
| Strukturtyp | Monoblockventil |
| Umgebungstemperaturbereich | -40 °C bis +80 °C (-40 °F bis +176 °F) |
| Bereich der Betriebsviskosität | 15 - 75 mm²/s (15 cSt bis 75 cSt) |
**Produktmerkmale und Vorteile:**
* **Durchflusskapazität:** Nennvolumenstrom von 40 L/min (10,5 US gpm) für effizienten Flüssigkeitstransfer.
* **Druckfähigkeit:** Maximaldruck von 250 bar (3600 psi) für anspruchsvolle Anwendungen.
* **Monoblock-Konstruktion:** Robuste und leckagefreie Konstruktion für zuverlässige Leistung.
* **Manuelle Steuerung:** Präziser und reaktionsschneller Betrieb für optimale Durchflussregelung.
* **Breiter Betriebstemperaturbereich:** -40°C bis +80°C (-40°F bis +176°F) für den Einsatz in verschiedenen Umgebungen.
**Anwendungen:**
* Materialtransport: Gabelstapler, Teleskoplader, Kräne, Stapler
* Bau und Erdbewegung: Bagger, Lader, Grader, Dumper
* Landwirtschaft: Traktoren, Erntemaschinen, Ballenpressen, Sprühgeräte
* Industriefahrzeuge: Kehrmaschinen, Müllpressen, Abrollkipper



