Schnelle Lieferung
30 Tage Expresslieferung



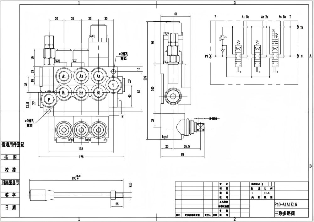
Das P40-G12-G38 Manuelle 3-Sektions-Monoblock-Wegeventil ist ein Hochleistungs-Hydraulikventil, das für anspruchsvolle Anwendungen entwickelt wurde. Mit einem Nennvolumenstrom von 40 L/min und einem Maximaldruck von 250 bar kann dieses Ventil eine breite Palette von Hydraulikflüssigkeiten und Betriebsbedingungen verarbeiten. Das 3-Sektions-Design ermöglicht eine präzise Steuerung des Hydraulikflusses und macht es für verschiedene Anwendungen geeignet. Dieses Ventil ist aus langlebigen Materialien gefertigt und so konzipiert, dass es rauen Umgebungen standhält, um auch unter schwierigsten Bedingungen eine zuverlässige Leistung zu gewährleisten.
| P40-Serie Monoblock-Wegeventil Parameters | |
|---|---|
| Steuermethode | Manuell, Pneumatisch, Elektropneumatisch, Elektrohydraulisch, Magnet, Hydraulisch, Hydraulisch und Manuell, Kabel, Joystick, Manuell und Joystick |
| Steuerkolben | 1 Steuerkolben, 2 Steuerkolben, 3 Steuerkolben, 4 Steuerkolben, 5 Steuerkolben, 6 Steuerkolben, 7 Steuerkolben |
| Nennfluss | 40 l/min (10,5 US gal/min) |
| Maximaldruck | 250 bar (3600 psi) |
| Einlassanschluss | G3/8, G1/2, M18×1.5, M22×1.5, SAE 8, SAE 10, 3/8 NPT, 1/2 NPT |
| Auslassanschluss | G3/8, G1/2, M18×1.5, M22×1.5, SAE 8, SAE 10, 3/8 NPT, 1/2 NPT |
| Anschlussgröße | G3/8, G1/2, M18×1.5, SAE 8, SAE 10, 3/8 NPT, 1/2 NPT |
| Abschnitt | 1 Abschnitt, 2 Abschnitt, 3 Abschnitt, 4 Abschnitt, 5 Abschnitt, 6 Abschnitt, 7 Abschnitt |
| Strukturtyp | Monoblockventil |
| Umgebungstemperaturbereich | -40 °C bis +80 °C (-40 °F bis +176 °F) |
| Bereich der Betriebsviskosität | 15 - 75 mm²/s (15 cSt bis 75 cSt) |
**Produktmerkmale und Vorteile:**
* Manuelle Steuerung für präzisen Betrieb
* 3-Sektions-Design für vielseitige Durchflussregelung
* Monoblock-Bauweise für Langlebigkeit und Zuverlässigkeit
* Breiter Betriebs-Viskositätsbereich für Kompatibilität mit verschiedenen Hydraulikflüssigkeiten
* Geeignet für raue Umgebungen mit einem Umgebungstemperaturbereich von -40°C bis +80°C
**Anwendungen:**
Dieses Ventil wird häufig in verschiedenen Branchen eingesetzt, darunter:
* Industriemaschinen
* Baumaschinen
* Landmaschinen
* Materialtransportgeräte
**Spezifische Anwendungen umfassen:**
* Teleskoplader
* Gabelstapler
* Kräne
* Stapler
* Arbeitsbühnen
* Bagger
* Kompaktlader
* Kompaktradlader



