Schnelle Lieferung
30 Tage Expresslieferung



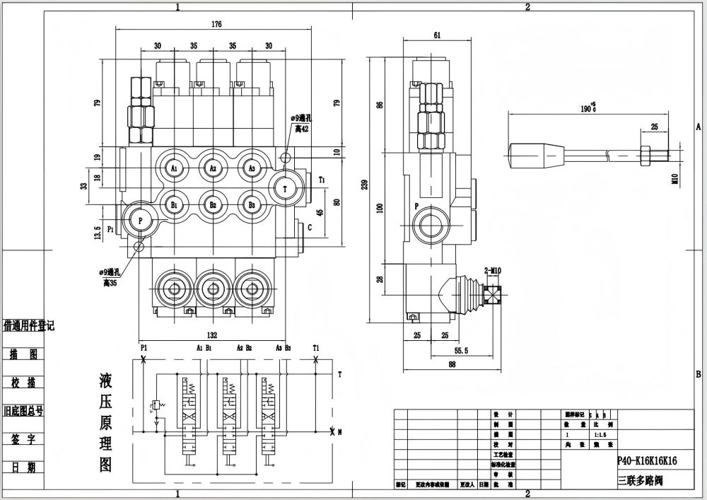
Das P40-G12-G38-3QTW Manuelle 3-fach Monoblock-Wegeventil ist ein Hochleistungs-Hydraulikventil, das für den Einsatz in einer Vielzahl von Industrieanwendungen konzipiert ist. Es verfügt über eine robuste Monoblock-Konstruktion, manuelle Steuerung und eine Durchflussrate von 40 L/min. Mit einem Maximaldruck von 250 bar und einem Betriebstemperaturbereich von -40°C bis +80°C ist dieses Ventil für anspruchsvolle Anwendungen in verschiedenen Branchen geeignet.
| P40-Serie Monoblock-Wegeventil Parameters | |
|---|---|
| Steuermethode | Manuell, Pneumatisch, Elektropneumatisch, Elektrohydraulisch, Magnet, Hydraulisch, Hydraulisch und Manuell, Kabel, Joystick, Manuell und Joystick |
| Steuerkolben | 1 Steuerkolben, 2 Steuerkolben, 3 Steuerkolben, 4 Steuerkolben, 5 Steuerkolben, 6 Steuerkolben, 7 Steuerkolben |
| Nennfluss | 40 l/min (10,5 US gal/min) |
| Maximaldruck | 250 bar (3600 psi) |
| Einlassanschluss | G3/8, G1/2, M18×1.5, M22×1.5, SAE 8, SAE 10, 3/8 NPT, 1/2 NPT |
| Auslassanschluss | G3/8, G1/2, M18×1.5, M22×1.5, SAE 8, SAE 10, 3/8 NPT, 1/2 NPT |
| Anschlussgröße | G3/8, G1/2, M18×1.5, SAE 8, SAE 10, 3/8 NPT, 1/2 NPT |
| Abschnitt | 1 Abschnitt, 2 Abschnitt, 3 Abschnitt, 4 Abschnitt, 5 Abschnitt, 6 Abschnitt, 7 Abschnitt |
| Strukturtyp | Monoblockventil |
| Umgebungstemperaturbereich | -40 °C bis +80 °C (-40 °F bis +176 °F) |
| Bereich der Betriebsviskosität | 15 - 75 mm²/s (15 cSt bis 75 cSt) |
**Produktmerkmale und Vorteile:**
- Manuelle Steuerung für präzisen und zuverlässigen Betrieb
- Monoblock-Konstruktion für erhöhte Haltbarkeit und reduzierte Leckage
- Durchflussrate von 40 L/min für effizienten Betrieb
- Maximaldruck von 250 bar für anspruchsvolle Anwendungen
- Breiter Betriebstemperaturbereich von -40°C bis +80°C für den Einsatz in verschiedenen Umgebungen
- 3-fach-Ausführung für vielseitige Steuerungsoptionen
**Anwendungen:**
- Materialtransportausrüstung
- Bau- und Erdbewegungsmaschinen
- Landmaschinen
- Industriefahrzeuge
- Und viele andere hydraulische Anwendungen



