Schnelle Lieferung
30 Tage Expresslieferung



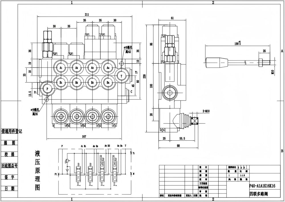
Das P40-G12-G38-2OT-2QTW Manuelle 4-Sektionen-Monoblock-Wegeventil ist ein Hochleistungs-Hydraulikventil, das für eine Vielzahl von Anwendungen entwickelt wurde. Mit einem Nennvolumenstrom von 40 L/min und einem maximalen Druck von 250 bar ist dieses Ventil ideal für den Einsatz in Systemen, bei denen präzise Steuerung und Zuverlässigkeit unerlässlich sind.
| P40-Serie Monoblock-Wegeventil Parameters | |
|---|---|
| Steuermethode | Manuell, Pneumatisch, Elektropneumatisch, Elektrohydraulisch, Magnet, Hydraulisch, Hydraulisch und Manuell, Kabel, Joystick, Manuell und Joystick |
| Steuerkolben | 1 Steuerkolben, 2 Steuerkolben, 3 Steuerkolben, 4 Steuerkolben, 5 Steuerkolben, 6 Steuerkolben, 7 Steuerkolben |
| Nennfluss | 40 l/min (10,5 US gal/min) |
| Maximaldruck | 250 bar (3600 psi) |
| Einlassanschluss | G3/8, G1/2, M18×1.5, M22×1.5, SAE 8, SAE 10, 3/8 NPT, 1/2 NPT |
| Auslassanschluss | G3/8, G1/2, M18×1.5, M22×1.5, SAE 8, SAE 10, 3/8 NPT, 1/2 NPT |
| Anschlussgröße | G3/8, G1/2, M18×1.5, SAE 8, SAE 10, 3/8 NPT, 1/2 NPT |
| Abschnitt | 1 Abschnitt, 2 Abschnitt, 3 Abschnitt, 4 Abschnitt, 5 Abschnitt, 6 Abschnitt, 7 Abschnitt |
| Strukturtyp | Monoblockventil |
| Umgebungstemperaturbereich | -40 °C bis +80 °C (-40 °F bis +176 °F) |
| Bereich der Betriebsviskosität | 15 - 75 mm²/s (15 cSt bis 75 cSt) |
**Produktmerkmale und Vorteile:**
* Manuelle Steuerung für präzisen Betrieb
* 4-Sektionen-Design für Vielseitigkeit
* Monoblock-Konstruktion für Langlebigkeit und Zuverlässigkeit
* Nennvolumenstrom von 40 L/min für hohe Leistung
* Maximaler Druck von 250 bar für anspruchsvolle Anwendungen
* Betriebsviskositätsbereich von 15 - 75 mm²/s für Kompatibilität mit einer Vielzahl von Flüssigkeiten
* Umgebungstemperaturbereich von -40°C bis +80°C für den Einsatz in extremen Umgebungen
**Anwendungen:**
* Materialtransportausrüstung
* Bau- und Erdbewegungsmaschinen
* Landmaschinen
* Industriefahrzeuge



