Schnelle Lieferung
30 Tage Expresslieferung



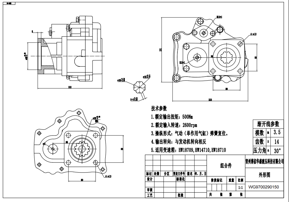
Dieser HW50-03 WG9700290150 ist ein robuster 4-Schrauben-Nebenabtrieb, der für anspruchsvolle Anwendungen entwickelt wurde und ein Nenndrehmoment von 350 Nm sowie ein Übersetzungsverhältnis von 1,14 bietet. Er verfügt über eine pneumatische (einfachwirkender Zylinder) Federrückstellung und Druckschmierung für zuverlässige Leistung, wodurch er ideal für eine Vielzahl von Industrie-, Bau- und Landmaschinen ist.
| Nebenabtriebs-Serie Nebenantrieb Parameters | |
|---|---|
| Befestigungsart | 8-Loch, 4-Schraubenbefestigung |
| Steuerluftdruck | 8-12 bar |
| Abtriebs-Drehrichtung | Entgegengesetzt zur Motor-Drehrichtung |
| Betätigungsart | Pneumatisch (einfachwirkender Zylinder) mit Federrückstellung |
| Übersetzungsverhältnis | 1.14 |
| Nennabtriebsdrehmoment | 350 Nm |
| Schmierungsoption | Druckschmierung |
| Montageoption | Standardmontage |
Produktmerkmale & Vorteile:
* Hohes Drehmoment: Mit einer Nennleistung von 350 Nm ist dieser Nebenabtrieb für den Antrieb anspruchsvoller Hydraulikpumpen und anderer Zusatzgeräte geeignet, die erhebliche Leistung erfordern.
* Pneumatische Steuerung: Verwendet einen einfachwirkenden Zylinder mit Federrückstellung für präzises, schnelles und zuverlässiges Ein- und Auskuppeln, der effizient mit einem Luftdruck von 8-12 bar arbeitet.
* Robuste Montage: Verfügt über eine Standard-4-Schrauben-Montageoption, die eine sichere und stabile Befestigung am Getriebe des Fahrzeugs gewährleistet, ausgelegt für robuste Leistung.
* Effiziente Schmierung: Ausgestattet mit einem Druckschmiersystem, das eine optimale und kontinuierliche Schmierung der internen Komponenten gewährleistet, die Lebensdauer des Geräts erheblich verlängert und den Wartungsaufwand reduziert.
* Optimiertes Übersetzungsverhältnis: Ein sorgfältig gewähltes Übersetzungsverhältnis von 1,14 gewährleistet eine effiziente und effektive Kraftübertragung vom Motor auf die angetriebenen Zusatzgeräte.
* Vielseitige Lenkung: Die Ausgangslenkrichtung ist entgegengesetzt zur Motorlenkrichtung, was Flexibilität im Systemdesign und bei der Integration mit verschiedenen Hydrauliksystemen bietet.
* Robuste Konstruktion: Hergestellt aus hochwertigen Materialien und für den schweren, kontinuierlichen Betrieb in anspruchsvollen und fordernden Arbeitsumgebungen ausgelegt.
Anwendungsszenarien:
Dieser HW50-03 Nebenabtrieb eignet sich perfekt für eine Vielzahl mobiler und stationärer Hydrauliksysteme, die eine zuverlässige und steuerbare Kraftentnahme aus dem Getriebe eines Fahrzeugs erfordern, und deckt verschiedene Sektoren ab:
* Bau & Erdbewegung: Unerlässlich für den Antrieb von Hydraulikpumpen in schweren Maschinen wie Kränen, Baggern, Radladern, Baggerladern, Motorgradern und Betonpumpen.
* Industriefahrzeuge: Ermöglicht entscheidende Zusatzfunktionen in verschiedenen Industriefahrzeugen wie Kippern, Hakenladern, Müllverdichtern und Kehrmaschinen.
* Landwirtschaft: Weit verbreitet zum Antrieb von Hydrauliksystemen in modernen Landmaschinen wie Traktoren, Erntemaschinen, Ballenpressen, Sprühgeräten und anderen landwirtschaftlichen Geräten.
* Materialhandling: Bietet robuste Leistung für Teleskoplader und Gabelstapler, insbesondere solche, die mit speziellen Hydraulikanbaugeräten zum Heben und Manipulieren schwerer Lasten ausgestattet sind.
* Spezialausrüstung: Anwendbar in Forstanhängern, Bohrgeräten und anderen mobilen Schwerlastgeräten, die eine robuste, effiziente und steuerbare Stromquelle für spezielle Funktionen benötigen.



